Descriere
Piuliță Bolt Conic Braț Buldoexcavator Caterpillar 8T-3652 – Fixare sigură și durabilitate în condiții extreme 🚜
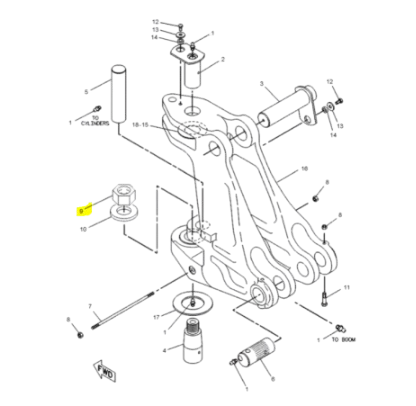
Piulița Caterpillar 8T-3652 (cod echivalent: 8T3652) este o piesă esențială în sistemul de prindere al bolturilor conice de pe brațul buldoexcavatorului. Rolul ei este de a asigura o strângere fermă și stabilă între bolt și articulație, prevenind slăbirea sau deplasarea componentelor în timpul funcționării. Această piuliță contribuie direct la siguranța și fiabilitatea utilajului, mai ales în condiții de lucru solicitante.
Construită din oțel aliat de înaltă rezistență, piulița 8T-3652 oferă o fixare precisă și o rezistență excelentă la vibrații, șocuri și coroziune. Filetul său este prelucrat cu mare acuratețe, asigurând o potrivire perfectă cu boltul conic și eliminând riscul de jocuri mecanice. Datorită tratamentului termic, piulița își menține forma și proprietățile chiar și după mii de cicluri de strângere și slăbire.
Această piesă este utilizată la numeroase modele de buldoexcavatoare Caterpillar, fiind concepută pentru a suporta sarcini mari și lucrări în medii dificile, precum șantiere de construcții, cariere sau aplicații agricole. Menținerea unei prinderi sigure între bolt și braț este esențială pentru precizia mișcărilor utilajului și pentru prevenirea uzurii premature a articulațiilor.
✅ Specificații tehnice:
Cod produs: 8T-3652 / 8T3652
Tip componentă: Piuliță pentru bolt conic
Material: Oțel aliat tratat termic
Funcție: Fixează boltul conic pe brațul buldoexcavatorului
Compatibilitate: Buldoexcavatoare Caterpillar
🔧 Avantaje principale:
-
Fixare sigură și stabilă în condiții grele de lucru
-
Rezistență ridicată la vibrații și sarcini dinamice
-
Filet prelucrat cu precizie pentru montaj rapid
-
Protecție eficientă împotriva uzurii și coroziunii
-
Durată lungă de viață și compatibilitate perfectă cu bolturile CAT
📌 Recomandarea noastră:
Verifică periodic strângerea piulițelor de la articulațiile brațului. O prindere corectă previne jocurile mecanice, reduce uzura bolturilor și menține performanța optimă a utilajului.
🛒 Comandă acum pe ereonparts.ro!
Piulița Caterpillar este disponibil pe ereonparts.ro, cu livrare rapidă. Dacă nu ești sigur de compatibilitate, contactează-ne – echipa noastră îți oferă toate informațiile de care ai nevoie pentru o alegere corectă!
Pentru mai multe informații, oferte și noutăți, vizitează-ne și pe Facebook!













Recenzii
Nu există recenzii până acum.